型 号:ET-107 | 规 格:3380-1.1Y |
额定电压:三相380V | 频 率:50Hz |
电热功率:1.1KW | 进风温度:常温~230℃ |
最大风量:1320m3/h | 最高风压:1900Pa |
更多项目参数请咨询销售代表! | |
上一个产品:盛驰低压耐温风机ET-106
下一个产品:盛驰低压耐温风机ET-108
盛驰低压耐温风机简介
盛驰耐温风机采用特制耐高温电机,风轮与电机之间有专用散热装置保护电机的正常工作,适合用于高温循环的使用环境,入风口耐温高达230℃,采用风冷。
风机的安装形式
1.风机有两种形式:从电机一侧正视,叶轮顺时针旋转者称右旋风机,以“右”表示;叶轮逆时针旋转称优选风机,以“左”表示
2.风机的出口位置,以机壳的出风口角度表示。传动方式均为“A”式直联传。
风机的结构特点
1.风机主要有叶轮、机壳、进风口、电机、散热风叶、散热装置等部分组成。
2.叶轮采用多翼式离心叶轮,用优质的镀锌板或冷轧钢板制成,叶片依据空气动力原理设计。材料用强度高,耐用性好的优质钢板制造,并经严格的动、静平衡校正。空气性能良好,效率高,运转平稳。
3.进风口采用收敛流线型减涡形式,气流损失较小,风机的工作效率高。
4.风机机壳与电机之间安装专业设计的散热装置,电机轴头上安装散热风叶,确保电机在高温下正常运行。
5.其电机采用特殊高温电机(F级,IP54,采用进口轴承),风机流体部分采用耐温材料,降温结构性能可靠。
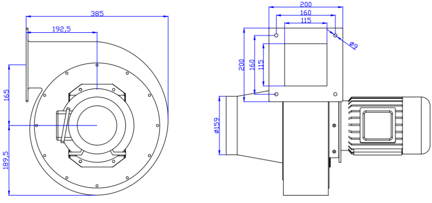
盛驰低压耐温风机尺寸示意图

盛驰低压耐温风机参数表

SHENGSHI PRODUCT
了解价格?产量?型号?售后?请留言,我们第一时间为您回复
留言咨询(30秒急速提交)
等待回访(30分钟内快速回复)
免费定制(根据需求免费定制流程方案)
答:风机是一种将原动机的机械能转换为输送气体、并给予气体能量的机械,它是火电厂中不可少的机械设备之一,主要有送风机、引风机、···
答:风刀中央空调风管清洗系统是引进欧美的先进技术,同时根据中国本土的情况进行了技术补充,我们一直致力研究世界最先进的风管清洗···
答:风机具体的防护等级和绝缘等级要看安装在什么地方。一般绝缘等级为B或E,就是说,允许工作温度为120摄氏度(B级)或130摄氏度(E···
答:风机选型是一个技术性很强的工作,具体的选型方法也很多,比如:按无因次特性曲线选型、按对数坐标曲线选型、按有因次特性曲线或···
答:高压鼓风机送风用一、曝气用途(例:养殖、电镀、水处理等)1. 配管原则:a. 支管的总截面积≧主管截面积b. 主管截面积≧风机的出口面···
答:气泵一般是指电机控制,驱使空气或者其他气体介质运动,是将原动机输出的能量转换为空气或者其他气体介质压力能的能量转换装置。···
答:目前市场上生产的易拉罐酒饮料均是在底部进行喷码,油墨喷码对底部的干燥要求比较高,即使少量水分也会导致喷码效果不好,字体散···
答:1、针对贴标前的干燥要求进行设计,采用专利设计风刀,把高速风引致玻璃瓶表面,快速切除水份,以更低功率(高压鼓风机配合风刀—···
答:1.如果发现流量过大,不符合使用要求,或短时间内需要、较小的流量,可利用节流装置进行调节。2.对温度计及油标的灵敏性定期检查···
答:众所周知,噪声属于环境污染中的一部分,所以低噪产品越来越受广大消费者的亲睐,热风机、鼓风机亦是如此,那么热风机、鼓风机的···